Chinese English
Index /  Products /  Metal Enclosure /  Al.Extrusion Cabinet
Product code: 17-43B
[ Print version ] [ Return ]
 
 
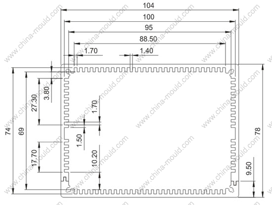
  • Size: 104x78 mm
  • ProtectionClass: no
  • Battery: no
  • Windows: no
  • Note:
  • Material and color can be customized.
  • For modification, there will be surcharge.
  • Drawings from website is just for reference.
  • Certificates for waterproof and ex-proof are not available.
  • Making toolings cooperative, 50% tooling cost will be undertaken.
    more pictures...
    Assembly Parts List
    Serial No.
    Part No.
    Part Name
    Qty
    Material
    Surface Finish
    Remarks
    1 17-36A-1 9.5H Extruder   1 Al.   Oxidation  
    2 17-48A-1 68.5H Extruder  1 Al.  Oxidation
    3 17-43B-1  Front & Rear Aluminum Panel  2  Al.   Oxidation  
    4    M3*8 Cap Screw 8 Steel    
    5            
    Optional Parts
    Serial No.
    Part No.
    Part Name
    Qty
    Material
    Surface Finish
    Remarks
    1
    2            
     
    [ Print version ] [ Return ]
     
    Classification and Search
    Product Classification
    New Products
    The products being developed
    Search by Code:
    Advanced Search:
    Length: to
    Width: to
    Height: to
    Battery:
    Windows:
    Search Note : Please enter the size range, such as between 20~30mm in length, can only import figures.
     
    Subordinate company
    Cixi sanhe appliance & plastics co.,ltd
    Professional connectors manufacturer
    Euro-US quality Chinese Price
    Cixi Changhe Sanhe Metal Enclosure Manufactory
    Professional transmiter and casting enclosure manufactory
     
     
      Copyright 2007 NINGBO SANHE ENCLOSURE CORPORATION
      ICP12019213-1